Kia Rio: Sunroof / Sunroof Motor

Repair procedures

Inspection
1.

Disconnect the negative (-) battery terminal.

2.

Remove the roof trim assembly.

(Refer to Body - "Roof Trim Assembly")

3.

Remove the glass motor (A) after loosening the mounting screws.

4.

Ground the terminals as below table, and check that the sunroof unit operates as below table.

5.

Make these input tests at the connector. If any test indicates a problem, find and correct the cause, then recheck the system. If all the input tests prove OK, the sunroof motor must be faulty; replace it.

Terminal
Test
condition
Test : Desired result
3
IG2 ON
Check for voltage to ground :
There should be battery voltage.
1
Under all
conditions
Check for continuity to ground :
There should be continuity.
6
Under all
conditions
Check for voltage to ground :
There should be battery voltage.

Adjustment

Resetting The Sunroof

Whenever the vehicle battery is disconnected or discharged, or you use the emergency handle to operate the sunroof, you have to reset your sunroof system as follows :

1.

Turn the ignition key to the ON position.

2.

According to the position of the sunroof, do as follows.

(1)

In case that the sunroof has closed completely or been tilted :

Press the TILT button until the sunroof has tilted upward completely.

(2)

In case that the sunroof has slide-opened :

Press and hold the CLOSE button for more than 5 seconds until the sunroof has closed completely.

Press the TILT button until the sunroof has tilted upward completely.

3.

Release the TILT button.

4.

Press and hold the TILT button once again until the sunroof has returned to the original position of TILT after it is raised a little higher than the maximum TILT position.

When this is complete, the sunroof system is reset.

Protecting The Overheated Motor

In order to protect the overheated sunroof motor by continuous motor operation, the sunroof ECU controls the Run-time and Cool-time of motor as followings;

1.

The Sunroof ECU detects the Run- time of motor

2.

Motor can be operated continuously for the 1st Run-time.

3.

Motor which is operated continuously stops operating after the 1st Run-time.

4.

And then Motor is not operated for the 1st Cool-time.

5.

Motor is operated for the 2nd Run-time at the continued motor operation after 1st Cool-time.

6.

Motor which is operated continuously stops operating after the 2nd Run-time.

7.

Motor is not operated for the 2nd Cool-time.

8.

Motor repeats the 2nd Run-time and 2nd Cool-time at the continued motor operation.

In case that motor is not operated continuously, the Run-time which is limited for protecting the overheated motor is increased.

The Run-Time of motor is initialized to "0" if the battery or fuse is reconnected after being disconnected, discharged or blown.

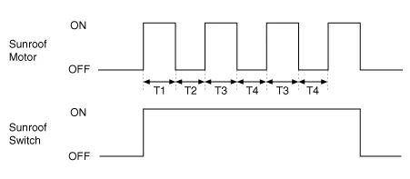
Protecting The Overheated Motor

In order to protect the overheated sunroof motor by continuous motor operation, the sunroof ECU controls the Run-time and Cool-time of motor as followings.

1.

The Sunroof ECU detects the Run- time of motor.

2.

Motor can be operated continuously for the 1st Run-time.

3.

Motor which is operated continuously stops operating after the 1st Run-time.

4.

And then Motor is not operated for the 1st Cool-time.

5.

Motor is operated for the 2nd Run-time at the continued motor operation after 1st Cool-time.

6.

Motor which is operated continuously stops operating after the 2nd Run-time.

7.

Motor is not operated for the 2nd Cool-time.

8.

Motor repeats the 2nd Run-time and 2nd Cool-time at the continued motor operation.

In case that motor is not operated continuously, the Run-time which is limited for protecting the overheated motor is increased.

The Run-Time of motor is initialized to "0" if the battery or fuse is reconnected after being disconnected, discharged or blown.

T1 : 120 ± 10 sec., T2 : 18 ± 2 sec.,

T3 : 9 ± 2 sec., T4 : 18 ± 2 sec.

    Components and components location Components Repair procedures Inspection 1. Disconnect the negative (-) battery terminal.

    Components and components location Component Location 1. Windshield wiper arm & blade 2. Wiper & washer switch 3.

    Other information:

    Kia Rio 2017-2023 YB Service Manual: A/C Pressure Transducer

    Description and operation Description The A/C Pressure Transducer (APT) convert the pressure value of high pressure line into voltage value after measure it. By converted voltage value, engine ECU controls cooling fan by operating it high speed or low speed.

    Kia Rio 2017-2023 YB Service Manual: Ambient Temperature Sensor

    Description and operation Description The ambient temperature sensor is located at the front of the condenser and detects ambient air temperature. It is a negative type thermistor; resistance will increase with lower temperature, and decrease with higher temperature.

    Categories

     
    Copyright © 2026 www.krioyb.com - 0.0463