Kia Rio: Blower / Intake Actuator

Description and operation

Description

The intake actuator is located at the blower unit. It regulates the intake door by signal from control unit. Pressing the intake selection switch will shift between recirculation and fresh air modes.

Repair procedures

Inspection
1.

Turn the ignition switch OFF.

2.

Disconnect the intake actuator connector.

3.

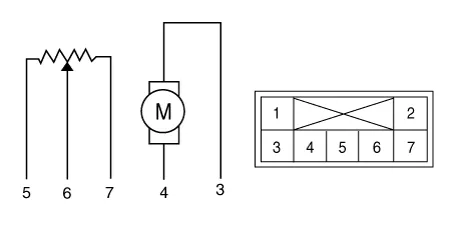
Verify that the intake actuator operates to the fresh (LHD) or recirculation (RHD) position when connecting 12V to the terminal 4 and grounding terminal 3.

Verify that the intake actuator operates to the recirculation (LHD) or fresh (RHD) position when connecting in the reverse.

[LHD]

1. -                 
2. -                  
3. Fresh 
4. Recirculation            
5. Sensor (+ 5V)
6. Feedback Signal
7. Sensor Ground

[RHD]

1. -                 
2. -                  
3. Fresh
4. Recirculation
5. Sensor (+ 5V)
6. Feedback
7. Sensor Ground

4.

Connect the intake actuator connector.

5.

Turn the ignition switch ON.

6.

Check the voltage between terminal 6 and 5 (LHD) or 7 (RHD).

Specification

Door position
Voltage (V)
Error detecting
Fresh
0.5
Low voltage : 0.1V or less
Recirculation
4.5
High voltage : 4.9V or more

7.

If the intake actuator is not operated well, substitute with a known-good intake actuator and check for proper operation.

8.

If the problem is corrected, replace the intake actuator.

Replacement
1.

Disconnect the negative (-) battery terminal.

2.

Remove the crash pad.

(Refer to Body - "Main Crash Pad Assembly")

3.

Disconnect the connector (A) and then remove the intake actuator (B) after loosening the mounting screws.

4.

Installation is the reverse order of removal.

    Description and operation Description The climate control air filter is located in the bower unit. It eliminates foreign materials and odor.

    Other information:

    Kia Rio 2017-2023 YB Service Manual: Rear Glass Defogger Switch

    Repair procedures Inspection 1. In the body electrical system, failure can be quickly diagnosed by using the vehicle diagnostic system (KDS/GDS). The diagnostic system (KDS/GDS) provides the following information. (1) Self diagnosis : Checking failure and code number (DTC)

    Kia Rio 2017-2023 YB Service Manual: Auto Defogging Sensor (FATC only)

    Description and operation Description The Auto Defogging Sensor is installed on front windshild glass. The Auto Defogging Sensor senses moisture on the windshild. The air conditioner control module receives the signal from the sensor and eliminate the fog by controlling the intake actuator, A/C, auto defogging actuator, blower m

    Categories

     
    Copyright © 2026 www.krioyb.com - 0.0208