| Circuit Diaram |

| Description |
The immobilizer system will disable the vehicle unless the proper ignition key is used, in addition to the currently available anti-theft systems such as car alarms, the immobilizer system aims to drastically reduce the rate of auto theft.
| 1. |
Transponder (TP) – IMMO ECU Communication
TP Read Protocol
|
| 2. |
Transponder / IMMO ECU / EMS authentication
|
| Components Operations |
PCM (Power Train Control Module)
| 1. |
The PCM(ECM) (A) carries out a check of the ignition key using a special encryption algorithm, which is programmed into the transponder as well as the PCM(ECM) simultaneously. Only if the results are equal, the engine can be started. The data of all transponders, which are valid for the vehicle, are stored in the PCM(ECM). ERN (Encrypted Randorm Number) value between EMS and encrypted smartra unit is checked and the validity of coded key is decided by EMS.
|
ENCRYPTED IMMOBILIZER unit (A)
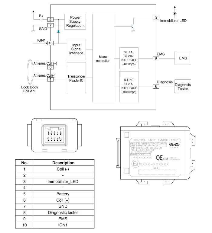
The IMMOBILIZER carries out communication with the built-in transponder in the ignition key. This wireless communication runs on RF (Radio frequency of 125 kHz). The IMMOBILIZER is mounted behind of the crash pad close to center cross bar.
The RF signal from the transponder, received by the antenna coil, is converted into messages for serial communication by the IMMOBILIZER device. And, the received messages from the PCM(ECM) are converted into an RF signal, which is transmitted to the transponder by the antenna.
The IMMOBILIZER does not carry out the validity check of the transponder or the calculation of encryption algorithm. This device is only an advanced interface, which converts the RF data flow of the transponder into serial communication to the PCM(ECM) and vice versa.

TRANSPONDER (Built-in keys)
The transponder has an advanced encryption algorithm. During the key teaching procedure, the transponder will be programmed with vehicle specific data. The vehicle specific data are written into the transponder memory. The write procedure is once only; therefore, the contents of the transponder can never be modified or changed.
| [Master Folding Key] |

| [Spare Master Key] |

Antenna Coil
The antenna coil (A) has the following functions.
| – |
The antenna coil supplies energy to the transponder. |
| – |
The antenna coil receives signal from the transponder. |
| – |
The antenna coil sends transponder signal to the IMMOBILIZER. It is located directly in front of the steering handle lock. |

| Teaching Procedures |
| 1. |
Key Teaching Procedure Key teaching must be done after replacing a defective PCM(ECM) or when providing additional keys to the vehicle owner. The procedure starts with an PCM(ECM) request for vehicle specific data (PIN code: 6digits) from the tester. The "virgin" PCM(ECM) stores the vehicle specific data and the key teaching can be started. The "learnt" PCM(ECM) compares the vehicle specific data from the tester with the stored data. If the data are correct, the teaching can proceed. If incorrect vehicle specific data have been sent to the PCM(ECM) three times, the PCM(ECM) will reject the request of key teaching for one hour. This time cannot be reduced by disconnecting the battery or any other manipulation. After reconnecting the battery, the timer starts again for one hour. The key teaching is done by ignition on with the key and additional tester commands. The PCM(ECM) stores the relevant data in the EEPROM and in the transponder. Then the PCM(ECM) runs the authentication required for confirmation of the teaching process. The successful programming is then confirmed by a message to the tester. If the key is already known to the PCM(ECM) from a previous teaching, the authentication will be accepted and the EEPROM data are updated. There is no changed transponder content (this is impossible for a learnt transponder). The attempt to repeatedly teach a key, which has been taught already during the same teaching cycle, is recognized by the PCM(ECM). This rejects the key and a message is sent to the tester. The PCM(ECM) rejects invalid keys, which are presented for teaching. A message is sent to the tester. The key can be invalid due to faults in the transponder or other reasons, which result from unsuccessful programming of data. If the PCM(ECM) detects different authenticators of a transponder and an PCM(ECM), the key is considered to be invalid. The maximum number of taught keys is 4. If an error occurs during the Immobilizer Service Menu, the PCM(ECM) status remains unchanged and a specific fault code is stored. If the PCM(ECM) status and the key status do not match for teaching of keys, the tester procedure will be stopped and a specific fault code will be stored at PCM(ECM).
|
| 2. |
User Password Teaching Procedure The user password for limp home is taught at the service station. The owner of the vehicle can select a number with four digits. The user password teaching is only accepted by a "learnt" PCM(ECM). Before first teaching of user password to an PCM(ECM), the status of the password is "virgin" No limp home function is possible. The teaching is started by ignition on, with a valid key(learnt key) and sending the user password by tester. After successful teaching, the status of the user password changes from "virgin" to "learnt" The learnt user password can also be changed. This can be done if the user password status is "learnt" and the tester sends authorization of access, either the old user password or the vehicle specific data. After correct authorization, the PCM(ECM) requests the new user password. The status remains "learnt" and the new user password will be valid for the next limp home mode. If wrong user passwords or wrong vehicle specific data have been sent to the PCM(ECM) three times continuously or intermittently, the PCM(ECM) will reject the request to change the password for one hour. This time cannot be reduced by disconnecting the battery or any other actions. After reconnecting the battery, the timer starts again for one hour.
|
| Limp Home Function |
| 1. |
Limp Home By Tester If the PCM(ECM) detects the fault of the SMARTRA or transponder, the PCM(ECM) will allow limp home function of the immobilizer. Limp home is only possible if the user password (4 digits) has been given to the PCM(ECM) before. This password can be selected by the vehicle owner and is programmed at the service station. The user password can be sent to the PCM(ECM) via the special tester menu. Only if the PCM(ECM) is in status "learnt" and the user password status is "learnt" and the user password is correct, the PCM(ECM) will be unlocked for a period of time (30 sec.). The engine can only be started during this time. After the time has elapsed, engine start is not possible. If the wrong user password is sent, the PCM(ECM) will reject the request of limp home for one hour. Disconnecting the battery or any other action cannot reduce this time. After connecting the battery to the PCM(ECM), the timer starts again for one hour.
|
| 2. |
Limp Home By Ignition Key The limp home can be activated also by the ignition key. The user password can be input to the PCM(ECM) by a special sequence of ignition on/off. Only if the PCM(ECM) is in status "learnt" and the user password status is "learnt" and the user password is correct, the PCM(ECM) will be unlocked for a period of time (30 sec.). The engine can be started during this time. After the time has elapsed, engine start is not possible. After a new password has been input, the timer (30 sec.) will start again. After ignition off, the PCM(ECM) is locked if the timer has elapsed 8 seconds. For the next start, the input of the user password is requested again. |

| Replacement |
Problems And Replacement Parts:
|
Problem |
Part set |
KDS/GDS required? |
|
All keys have been lost |
Blank key (4) |
YES |
|
Antenna coil unit does not work |
Antenna coil unit |
NO |
|
ECM does not work |
PCM(ECM) |
YES |
|
Ignition switch does not work |
Ignition switch with Antenna coil unit |
YES |
|
Unidentified vehicle specific data occurs |
Key, PCM(ECM) |
YES |
|
SMARTRA unit does not work |
SMARTRA unit |
YES |
Replacement Of ECM And Smartra
In case of a defective ECM, the unit has to be replaced with a "virgin" or "neutral" ECM. All keys have to be taught to the new ECM. Keys, which are not taught to the ECM, are invalid for the new ECM (Refer to key teaching procedure). The vehicle specific data have to be left unchanged due to the unique programming of transponder.
In case of a defective SMARTRA, it needs teaching the smartra. A new SMARTRA device replaces the old one and smartra need teaching.
| 1. |
Things to remember before a replacement (PCM(ECM))
|
| 2. |
Things to remember before a replacement (Keys & Additional registration)
|
Neutralizing Of ECM
The PCM(ECM) can be set to the "neutral" status by a tester.
A valid ignition key is inserted and after ignition on is recorded, the PCM(ECM) requests the vehicle specific data from the tester. The communication messages are described at "Neutral Mode" After successfully receiving the data, the PCM(ECM) is neutralized.
The ECM remains locked. Neither the limp home mode nor the "twice ignition on" function, is accepted by the PCM(ECM).
The teaching of keys follows the procedure described for the virgin PCM(ECM). The vehicle specific data have to be unchanged due to the unique programming of the transponder. If data should be changed, new keys with a virgin transponder are requested.
This function is for neutralizing the PCM(ECM) and Key. Ex) when lost key, Neutralize the PCM(ECM) then teach keys.
(Refer to the Things to do when Key & PIN Code the PCM(ECM) can be set to the "neutral" status by a scanner. If wrong vehicle specific data have been sent to SMATRA three times continuously or intermittently, the SMATRA will reject the request to enter neutral mode for one hour. Disconnecting the battery or other manipulation cannot reduce this time. After connecting the battery the timer starts again for one hour.
|









Neutralizing Of SMARTRA
The EMS can be set to the status "neutral" by tester
Ignition key (regardless of key status) is inserted and after IGN ON. If receiving the correct vehicle password from GST, SMARTRA can be neutralized. The neutralization of SMARTRA is possible if DPN is same as the value inputted by GST.
In case that the SMARTRA status is neutral, the EMS keeps the lock state. And the start is not possible by "twice ignition".
In case of changing the vehicle password, new virgin transponder must be only used. And in case of virgin key, after Learning the key of vehicle password, it can be used.
If wrong vehicle specific data have been sent to SMATRA three times continuously or intermittently, the SMATRA will reject the request to enter neutral mode for one hour. Disconnecting the battery or other manipulation cannot reduce this time. After connecting the battery the timer starts again for one hour.
|







Repair procedures Inspection 1. Disconnect the key warning switch connector (A) and ignition switch connector (B) from the steering column.
Repair procedures Removal 1. Disconnect the negative (-) battery terminal. 2. Remove the main crash pad assembly.
Description and operation Description The Auto Defogging Sensor is installed on front windshild glass. The Auto Defogging Sensor senses moisture on the windshild. The air conditioner control module receives the signal from the sensor and eliminate the fog by controlling the intake actuator, A/C, auto defogging actuator, blower m
Description and operation Description The climate control air filter is located in the bower unit. It eliminates foreign materials and odor. The particle filter performs a role as an odor filter as well as a conventional dust filter to ensure comfortable interior environment.