| Description |
Due to the considerably more frequent occurrence of starting operations, the electrical load that occurs often leads to voltage dips in the vehicle network.
In order to stabilize the power supply for certain voltage-sensitive electrical components, a DC/DC converter is used in conjunction with the ISG function.
The DC/DC converter supplies the relay with a voltage that also remains constant during the starting operation.
The DC/DC converter is fitted at the behind of the glove box.
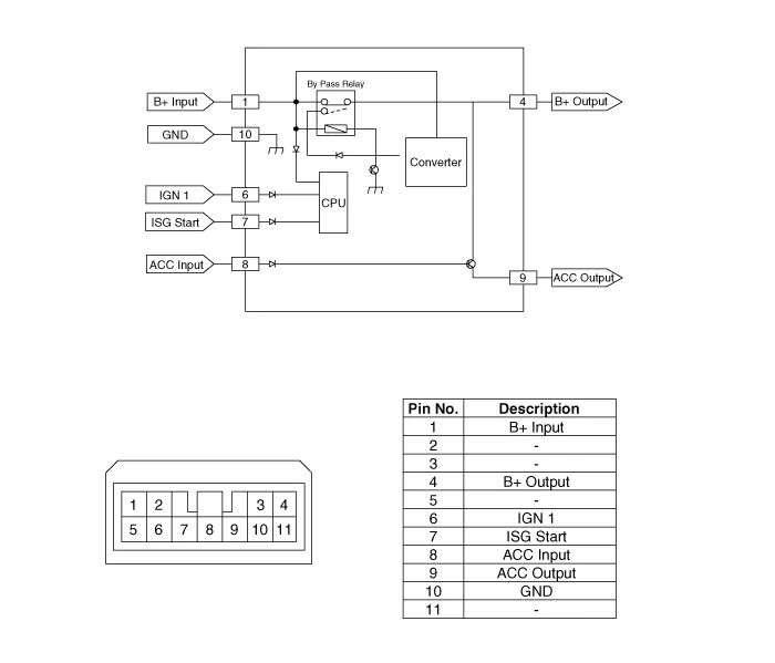
Via the test leads for input voltage and the start relay , the electronics decide whether the power is supplied to the output via the bypass or the DC/DC converter.
In the bypass mode, the on-board supply voltage is not fed across the DC/DC converter, rather is transferred directly to the outputs. In the booster phase, the vehicle voltage is adapted.
| Operation Principle |

|
| Component Location |

| 1. DC/DC converter (LHD) |
2. DC/DC converter (RHD) |
| Circuit Diagram |

| Removal |
| 1. |
Disconnect the battery negative terminal. |
| 2. |
Remove the glove box housing. (Refer to Body - "Glove Box Housing") |
| 3. |
Disconnect the DC/DC converter conector (A). |
| 4. |
Remove the DC/DC converter (B) after removing nuts.
[LHD]
[RHD]
|
| Installation |
| 1. |
Install in the reverse order of removal.
|
Specifications Specification ▷ 13.5V, 90A Item Specification Rated voltage 13.
Specifications Specification ▷ AGM60L-DIN Item Specification Capacity [20HR/5HR] (AH) 60/48 Cold Cranking Amperage (A) 640 (SAE) / 640(EN) Reserve Capacity (Min) 100 • Model type description • Cold Cranking Ampere (CCA): Cold Cranking Amps is a rating used in the battery industry to define a battery's ability to start an engine in cold temperatures.
Components and components location Components Repair procedures Removal 1. Disconnect the negative (-) battery terminal. 2. Remove the crash pad lower panel. (Refer to Body - "Crash Pad Lower Panel") 3.
Description and operation Description The compressor is the power unit of the A/C system. It is located on the side of engine block and driven by a V-belt of engine. The compressor changes the low pressure and low temperature refrigerant gas into the high pressure and high temperature refrigerant gas.