Kia Rio: Engine Electrical System / Charging System
Components and components location

① ECM
② Battery
③ Alternator
④ Starter
⑤ Instrument Cluster
⑥ Ignition switch or start/stop button
⑦ Battery sensor
⑧ Hood switch
Description and operation
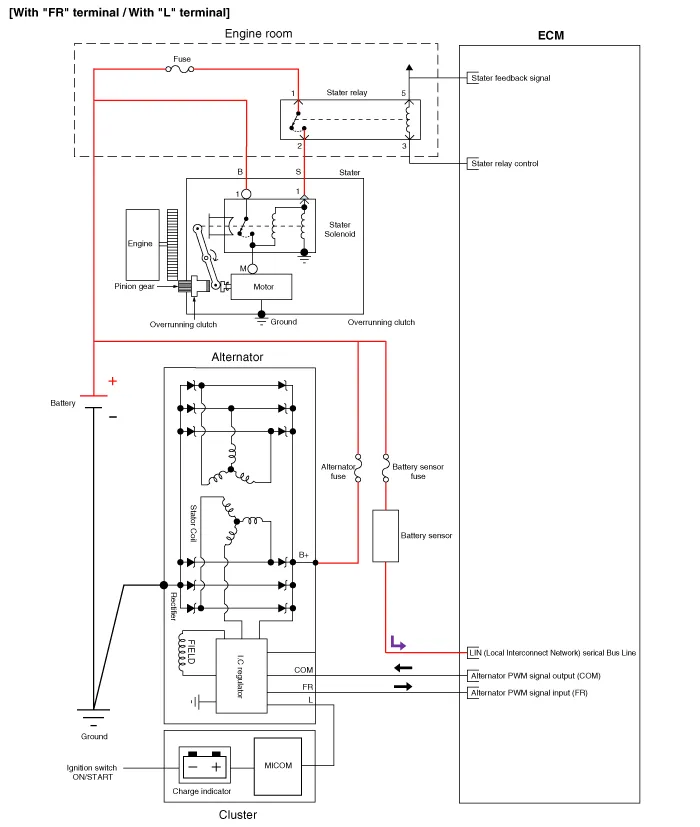
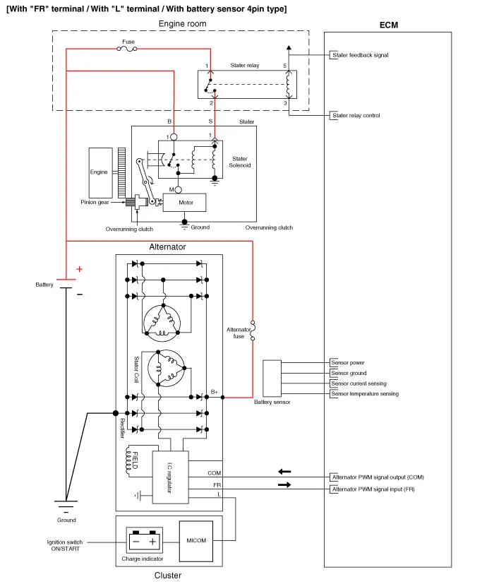
The charging system included a battery, an alternator with a built-in regulator,
and the charging indicator light and wire.
The Alternator has eight built-in diodes, each rectifying AC current to DC current.
Therefore, DC current appears at alternator "B" terminal.
In addition, the charging voltage of this alternator is regulated by the battery
voltage detection system.
The alternator is regulated by the battery voltage detection system. The main
components of the alternator are the rotor, stator, rectifier, capacitor brushes,
bearings and V-ribbed belt pulley. The brush holder contains a built-in electronic
voltage regulator.
Alternator Management
System
Alternator management system controls the charging voltage set point in order
to improve fuel economy, manage alternator load under various operating conditions,
keep the battery charged, and protect the battery from over-charging. ECM controls
generating voltage by duty cycle (charging control, discharging control, normal
control) based on the battery conditions and vehicle operating conditions.
The system conducts discharging control when accelerating a vehicle. Vehicle
reduces an alternator load and consumes an electric power form a battery.
The system conducts charging control when decelerating a vehicle. Vehicle increases
an alternator load and charges a battery.
Schematic diagrams



Repair procedures
| • |
Battery efficiency inspection
|
| • |
Battery voltage inspection
|
| • |
Charging voltage insptection
|
| • |
Terminal tightening state inspection
|
| • |
Engine/ transaxle ground state inspection
|
| • |
Wiring harness ground state inspection
|
| • |
Electrical Specified Value Inspection
|
| • |
Vehicle parasitic current inspection
|
| • |
Battery capacity inspection
|
Battery Efficiency
Inspection
| • |
Check that the battery cables are connected to the correct terminals.
|
| • |
Disconnect the battery cables when the battery is given a quick
charge.
|
| • |
Never disconnect the battery while the engine is running.
|
|
| • |
Inspect the battery test using the load tester and battery tester.
|
|
Battery Voltage Inspection
| 1. |
After having driven the vehicle and in the case that 20 minutes have
not passed after having stopped the engine, turn the ignition switch ON
and turn on the electrical system (headlamp, blower motor, rear defogger
etc.) for 60 seconds to remove the surface charge.
|
| 2. |
Turn the ignition switch OFF and turn off the electrical systems.
|
| 3. |
Measure the battery voltage between the negative (-) and positive (+)
terminals of the battery.
|
Standard voltage : Approximately 12.5 - 12.9V [20°C (68°F)]
|
If the voltage is less than specification, charge the battery.
|
General Inspection
| 1. |
Check that the battery terminals are not loose or corroded.
(Refer to Charging System - "Battery")
|
| 2. |
Check the fuses for continuity.
Alternator Fuse
| (1) |
Check the alternator fuse (A) for continuity.


|
| (2) |
Measure the voltage as shown in the image below.
|
Standard value : Approximately 0 V
|

|
| (3) |
If the alternator fuse is blown, replace it as in the procedure
below:
| a. |
Turn ignition switch OFF and disconnect the battery negative
(-) terminal.
|
| b. |
Remove the battery positive (+) cable mounting nuts (A).
|
| c. |
Replace the norminal alternator fuse or battery cable.

|
| d. |
Install in the reverse order of removal.
|
|
|
| 3. |
Inspect Drive Belt
| (1) |
Visually check the belt for excessive wear, frayed cords etc.
If any defect has been found, replace the drive belt.
|
• |
Cracks on the rib side of a belt are considered
acceptable. If the belt has chunks missing from
the ribs, it should be replaced.
|
|

|
|
| 4. |
Measure and adjust drive belt tension.
(Refer to Engine Mechanical System - "Drive Belt")
|
| 5. |
Visually check alternator wiring and listen for abnormal noises.
| (1) |
Check that the wiring is in good condition.
|
| (2) |
Check that there is no abnormal noise from the alternator while
the engine is running.
|
|
| 6. |
Check Discharge Warning Light Circuit
| (1) |
Warm up the engine and then turn it off.
|
| (2) |
Turn off all accessories.
|
| (3) |
Turn the ignition switch "ON". Check that the discharge warning
light is lit.
|
| (4) |
Start the engine. Check that the light is lit.
If the light does not go off as specified, troubleshoot the discharge
light circuit.
|
|
Terminal Tightening
State Inspection
| • |
Alternator B+ terminal state
|
| • |
Alternator B+ termina tightening nut
|
| • |
Battery positive (+) terminal state
|
| • |
Battery positive (+) terminal tightening nut state
|
| • |
Battery negative (-) terminal state
|
| • |
Battery negative (-) terminal tightening nut state
|
| • |
Battery negative (-) terminal mounting bolt tightening state
(Chassis ground)
|
| • |
Battery sensor negative (-) terminal state (With battery sensor)
|
| • |
Battery sensor negative (-) terminal tightening nut state (With
battery sensor)
|
| • |
Battery sensor negative (-) terminal mounting bolt tightening
state (Chassis ground) [With battery sensor]
|
| • |
Engine room fuse & relay box positive (+) harness state
|
| • |
Engine room fuse & relay box positive (+) harness tightening
nut state
|
| • |
Check the status of ground fault by chassis paint
|
|
| Inspection Component Location |

1. Alternator B+ terminal
2. Engine room fuse & relay box positive (+) terminal
3. Battery negative (+) terminal
|
4. Battery negative (-) terminal
5. Chassis ground
|
Engine/ Transaxle Ground
State Inspection
| • |
Mounting bolt tightening state (Chassis)
|
| • |
Mounting bolt tightening state (Engine)
|
| • |
Check the status of ground fault by chassis paint
|
|
Wiring harness ground
state inspection
| • |
Mounting bolt tightening state (Chassis)
|
| • |
Mounting bolt tightening state (Engine)
|
| • |
Check the status of ground fault by chassis paint
|
|

1. Engine ground (Engine ↔ Chassis)
2. Transaxle ground (Transaxle ↔ Chassis)
|
|
|
Check the ground point.
(Refer to ETM Harness Layout - "Ground Point")
|
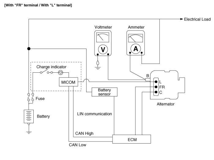
Electrical Specified
Value Inspection (Using the Voltmeter and Ammeter)
| 1. |
Voltage Drop Test of Alternator Output Wire
This test determines whether or not the wiring between the alternator
"B" terminal and the battery (+) terminal is good by the voltage drop method.
| (1) |
Preparation
| a. |
Turn the ignition switch to "OFF".
|
| b. |
Disconnect the output wire from the alternator "B" terminal.
Connect the (+) lead wire of ammeter to the "B" terminal
of alternator and the (-) lead wire of ammeter to the output
wire. Connect the (+) lead wire of voltmeter to the "B"
terminal of alternator and the (-) lead wire of voltmeter
to the (+) terminal of battery.

|
|
| (2) |
Test
| b. |
Turn on the headlamps and blower motor, adjust the engine
speed until the ammeter indicates 20A and read the voltmeter.
|
|
| (3) |
Result
| a. |
The voltmeter may indicate the standard value.
|
Standard value : 0.2V max
|
|
| b. |
If the value of the voltmeter is higher than expected
(above 0.2V max.), poor wiring is suspected. In this case
check the wiring from the alternator "B" terminal to the
battery (+) terminal. Check for loose connections, color
change due to an over-heated harness, etc. Correct them
before testing again.
|
| c. |
Upon completion of the test, set the engine speed at
idle.Turn off the headlamps, blower motor and the ignition
switch.
|
|
|
| 2. |
Output Current Test
This test determines whether or not the alternator gives an output current
that is equivalent to the normal output.
| (1) |
Preparation
| a. |
Prior to the test, check the following items and correct
as necessary.
Check the battery installed in the vehicle to ensure
that it is in good condition. Refer to the "Battery" section
for checking battery.
The battery used to test the output current should be
partially discharged.
With a fully charged battery, the test may not be conducted
correctly due to an insufficient load.
Check the tension of the alternator drive belt. Refer
to the "Inspect drive belt" section for checking the belt
tension.
|
| b. |
Turn off the ignition switch.
|
| c. |
Disconnect the battery ground cable.
|
| d. |
Disconnect the alternator output wire from the alternator
"B" terminal.
|
| e. |
Connect a DC ammeter (0 to 150A) in series between the
"B" terminal and the disconnected output wire. Be sure to
connect the (-) lead wire of the ammeter to the disconnected
output wire.
|
Tighten each connection securely, as a heavy
current will flow. Do not rely on clips.
|
|
| f. |
Connect a voltmeter (0 to 20V) between the "B" terminal
and ground. Connect the (+) lead wire to the alternator
"B" terminal and (-) lead wire to a good ground.
|
| g. |
Connect the battery ground cable.
|
| h. |
Leave the engine hood open.



|
|
| (2) |
Test
| a. |
Check to see that the voltmeter reads the same value
as the battery voltage. If the voltmeter reads 0V, open
circuit in the wire between alternator "B" terminal and
battery (+) terminal or poor grounding is suspected.
|
| b. |
Start the engine and turn on the headlamps.
|
| c. |
Set the headlamps to high beam and the heater blower
switch to HIGH, quickly increase the engine speed to 2,500
rpm and read the maximum output current value indicated
by the ammeter.
|
• |
After the engine start up, the charging
current quickly drops. Therefore, the above
operation must be done quickly to read the
maximum current value correctly.
|
|
|
|
| (3) |
Result
| a. |
The ammeter reading must be higher than the limit value.
If it is lower despite the alternator output wire is in
good condition, remove the alternator from the vehicle and
test it.
|
Limit value : 60% of the voltage rate
|
|
• The nominal output current value is shown on
the nameplate affixed to the alternator body.
|
|
• |
The output current value changes with
the electrical load and the temperature
of the alternator itself. Therefore, the
nominal output current may not be obtained.
If such is the case, keep the headlamps
on to discharge the battery or use lights
of other vehicles to increase the electrical
load.
The nominal output current may not be
obtained if the temperature of the alternator
itself or ambient temperature is too high.
In such a case, reduce the temperature before
testing again.
|
|
|
| b. |
Upon completion of the output current test, lower the
engine speed to idle and turn off the ignition switch.
|
| c. |
Disconnect the battery negative (-) terminal.
|
| d. |
Remove the ammeter and voltmeter and the engine tachometer.
|
| e. |
Connect the alternator output wire to the alternator
"B" terminal.
|
| f. |
Connect the battery negative (-) terminal.
|
|
|
| 3. |
Regulated Voltage Test
The purpose of this test is to check that the electronic voltage regulator
controls voltage correctly.
| (1) |
Preparation
| a. |
Prior to the test, check the following items and correct
if necessary.
Check that the battery installed on the vehicle is fully
charged. Refer to the "Battery" section for checking the
battery.
Check the alternator drive belt tension. Refer to the
"Inspect drive belt" section for checking the belt tension.
|
| b. |
Turn ignition switch to "OFF".
|
| c. |
Disconnect the battery negative (-) terminal.
|
| d. |
Connect a digital voltmeter between the "B" terminal
of the alternator and ground. Connect the (+) lead of the
voltmeter to the "B" terminal of the alternator. Connect
the (-) lead to good ground or the battery (-) terminal.
|
| e. |
Disconnect the alternator output wire from the alternator
"B" terminal.
|
| f. |
Connect a DC ammeter (0 to 150A) in series between the
"B" terminal and the disconnected output wire. Connect the
(-) leadwire of the ammeter to the disconnected output wire.
|
| g. |
Connect the battery negative (-) terminal.



|
|
| (2) |
Test
| a. |
Turn on the ignition switch and check to see that the
voltmeter indicates the following value.
|
Voltage : Battery voltage
|
If it reads 0V, there is an open circuit in the wire
between the alternator "B" terminal and the battery and
the battery (-) terminal.
|
| b. |
Start the engine. Keep all lights and accessories off.
|
| c. |
Run the engine at a speed of about 2,500 rpm and read
the voltmeter when the alternator output current drops to
10A or less
|
|
| (3) |
Result
| a. |
If the voltmeter reading doesn't agree with the standard
value, the voltage regulator or the alternator is faulty.
|
Regulated Voltage : 11.7 - 15.3V
|
|
| b. |
If the voltmeter reading doesn't agree with the standard
value, the voltage regulator or the alternator is faulty.
|
| c. |
Disconnect the battery negative (-) terminal.
|
| d. |
Remove the voltmeter and ammeter.
|
| e. |
Connect the alternator output wire to the alternator
"B" terminal.
|
| f. |
Connect the battery negative (-) terminal.
|
|
|
Electrical Specified
Value Inspection (Using the Voltmeter and Clamp type Ammeter)
| 1. |
Voltage Drop Test of Alternator Output Wire
This test determines whether or not the wiring between the alternator
"B" terminal and the battery (+) terminal is good by the voltage drop method.
| (1) |
Preparation
| a. |
Turn the ignition switch to "OFF".
|
| b. |
Install the clamp type ammeter between battery positive
(+) and alternator "B" terminal.
|
| c. |
Connect the (+) lead wire of voltmeter to the "B" terminal
of alternator and the (-) lead wire of voltmeter to the
(+) terminal of battery.
|

|
| (2) |
Test
| b. |
Turn on the headlamps and blower motor, adjust the engine
speed until the ammeter indicates 20A and read the voltmeter.
|
|
| (3) |
Result
| a. |
The voltmeter may indicate the standard value.
|
Standard value : 0.2V max
|
|
| b. |
If the value of the voltmeter is higher than expected
(above 0.2V max.), poor wiring is suspected. In this case
check the wiring from the alternator "B" terminal to the
battery (+) terminal. Check for loose connections, color
change due to an over-heated harness, etc. Correct them
before testing again.
|
| c. |
Upon completion of the test, set the engine speed at
idle.Turn off the headlamps, blower motor and the ignition
switch.
|
|
|
| 2. |
Output Current Test
This test determines whether or not the alternator gives an output current
that is equivalent to the normal output.
| (1) |
Preparation
| a. |
Prior to the test, check the following items and correct
as necessary.
Check the battery installed in the vehicle to ensure
that it is good condition. Refer to the "Battery" section
for checking the battery.
The battery used to test the output current should be
partially discharged.
With a fully charged battery, the test may not be conducted
correctly due to an insufficient load.
Check the tension of the alternator drive belt. Refer
to the "Inspect drive belt" section for checking the belt
tension.
|
| b. |
Turn off the ignition switch.
|
| c. |
Disconnect the battery negative (-) terminal.
|
| d. |
Install the clamp type ammeter between battery positive
(+) and alternator "B" terminal.
|
| e. |
Connect a DC ammeter (0 to 150A) in series between the
"B" terminal and the disconnected output wire. Be sure to
connect the (-) lead wire of the ammeter to the disconnected
output wire.
|
Tighten each connection securely, as a heavy
current will flow. Do not rely on clips.
|
|
| f. |
Connect a voltmeter (0 to 20V) between the "B" terminal
and ground. Connect the (+) lead wire to the alternator
"B" terminal and (-) lead wire to a good ground.
|
| g. |
Connect the battery negative (-) terminal.
|
| h. |
Leave the engine hood open.



|
|
| (2) |
Test
| a. |
Check to see that the voltmeter reads the same value
as the battery voltage. If the voltmeter reads 0V, open
circuit in the wire between alternator "B" terminal and
battery (+) terminal or poor grounding is suspected.
|
| b. |
Start the engine and turn on the headlamps.
|
| c. |
Set the headlamps to high beam and the heater blower
switch to HIGH, quickly increase the engine speed to 2,500
rpm and read the maximum output current value indicated
by the ammeter.
|
• |
After the engine start up, the charging
current quickly drops. Therefore, the above
operation must be done quickly to read the
maximum current value correctly.
|
|
|
|
| (3) |
Result
| a. |
The ammeter reading must be higher than the limit value.
If it is lower despite the alternator output wire is in
good condition, remove the alternator from the vehicle and
test it.
|
Limit value : 60% of the voltage rate
|
|
• The nominal output current value is shown on
the nameplate affixed to the alternator body.
|
|
• |
The output current value changes with
the electrical load and the temperature
of the alternator itself. Therefore, the
nominal output current may not be obtained.
If such is the case, keep the headlamps
on to discharge the battery or use lights
of other vehicles to increase the electrical
load.
The nominal output current may not be
obtained if the temperature of the alternator
itself or ambient temperature is too high.
In such a case, reduce the temperature before
testing again.
|
|
|
| b. |
Upon completion of the output current test, lower the
engine speed to idle and turn off the ignition switch
|
| c. |
Disconnect the battery negative (-) terminal.
|
| d. |
Remove the ammeter and voltmeter and the engine tachometer.
|
| e. |
Connect the alternator output wire to the alternator
"B" terminal.
|
| f. |
Connect the battery negative (-) terminal.
|
|
|
| 3. |
Regulated Voltage Test
The purpose of this test is to check that the electronic voltage regulator
controls voltage correctly.
| (1) |
Preparation
| a. |
Prior to the test, check the following items and correct
if necessary.
Check that the battery installed on the vehicle is fully
charged. Refer to the "Battery" section for checking the
battery.
Check the alternator drive belt tension. Refer to the
"Inspect drive belt" section for checking the belt tension.
|
| b. |
Turn ignition switch to "OFF".
|
| c. |
Disconnect the battery negative (-) terminal.
|
| d. |
Connect a digital voltmeter between the "B" terminal
of the alternator and ground. Connect the (+) lead of the
voltmeter to the "B" terminal of the alternator. Connect
the (-) lead to good ground or the battery (-) terminal.
|
| e. |
Disconnect the alternator output wire from the alternator
"B" terminal.
|
| f. |
Connect a DC ammeter (0 to 150A) in series between the
"B" terminal and the disconnected output wire.Connect the
(-) lead wire of the ammeter to the disconnected output
wire.
|
| g. |
Connect the battery negative (-) terminal.



|
|
| (2) |
Test
| a. |
Turn on the ignition switch and check to see that the
voltmeter indicates the following value.
|
Voltage : Battery voltage
|
If it reads 0V, there is an open circuit in the wire
between the alternator "B" terminal and the battery and
the battery (-) terminal.
|
| b. |
Start the engine. Keep all lights and accessories off.
|
| c. |
Run the engine at a speed of about 2,500 rpm and read
the voltmeter when the alternator output current drops to
10A or less
|
|
| (3) |
Result
| a. |
If the voltmeter reading does not agree with the standard
value, the voltage regulator or the alternator is faulty.
|
Regulated Voltage : 11.7 - 15.3V
|
|
| b. |
If the voltmeter reading does not agree with the standard
value, the voltage regulator or the alternator is faulty.
|
| c. |
Disconnect the battery negative (-) terminal.
|
| d. |
Remove the voltmeter and ammeter.
|
| e. |
Connect the alternator output wire to the alternator
"B" terminal.
|
| f. |
Connect the battery negative (-) terminal.
|
|
|
Vehicle parasitic current
inspection
[Using the Ammeter]
| 1. |
Turn the all electric devices OFF, and then turn the ignition switch
OFF.
|
| 2. |
Close all doors except the engine hood, and then lock all doors.
| (1) |
Disconnect the hood switch connector.
|
| (3) |
Close the doors or remove the door switches.
|
|
| 3. |
Wait for a few minutes until the vehicle’s electrical systems go to sleep
mode.
| •
|
For an accurate measurement of a vehicle parasitic current,
all electrical systems should go to sleep mode. (It takes
at least one hour or at most one day.) However, an approximate
vehicle parasitic current can be measured after 10-20 minutes.
|
|
|
| 4. |
Connect an ammeter in series between the battery (-) terminal and the
ground cable, and then disconnect the clamp from the battery (-) terminal
slowly.
| •
|
Be careful that the lead wires of an ammeter do not come
off from the battery (-) terminal and the ground cable to
prevent the battery from being reset. In case the battery
is reset, connect the battery cable again, and then start
the engine or turn the ignition switch ON for more than
10 sec. Repeat the procedure from No. 1.
To prevent the battery from being reset during the inspection:
|
| 1) |
Connect a jump cable between the battery (-) terminal
and the ground cable.
|
| 2) |
Disconnect the ground cable from the battery (-) terminal.
|
| 3) |
Connect an ammeter between the battery (-) terminal and
the ground cable.
|
| 4) |
After disconnecting the jump cable, read the current
value of the ammeter.
|
|

|
| 5. |
Read the current value of the ammeter.
| • |
If the parasitic current is over the limit value, search for
abnormal circuit by removing the fuses one by one and checking for
parasitic current.
|
| • |
Reconnect only the fuse suspected of parasitic current and search
for the trouble unit by removing the components connected to the
circuit one by one until the parasitic draw drops below limit value.
|
|
Limit value (after 10 - 20 min.) : Below 50mA
|
|
[Using the Clamp type Ammeter]
| 1. |
Turn the all electric devices OFF, and then turn the ignition switch
OFF.
|
| 2. |
Close all doors except the engine hood, and then lock all doors.
| (1) |
Disconnect the hood switch connector.
|
| (3) |
Close the doors or remove the door switches.
|
|
| 3. |
Wait for a few minutes until the vehicle’s electrical systems go to sleep
mode.
| •
|
For an accurate measurement of a vehicle parasitic current,
all electrical systems should go to sleep mode. (It takes
at least one hour or at most one day.) However, an approximate
vehicle parasitic current can be measured after 10 - 20
minutes.
|
|
|
| 4. |
Install the clamp type ammerter on battery negative (-) terminal.

|
| 5. |
Read the current value of the ammeter.
| • |
If the parasitic current is over the limit value, search for
abnormal circuit by removing the fuses one by one and checking for
parasitic current.
|
| • |
Reconnect only the fuse suspected of parasitic current and search
for the trouble unit by removing the components connected to the
circuit one by one until the parasitic draw drops below limit value.
|
|
Limit value (after 10 - 20 min.) : Below 50mA
|
|
Troubleshooting
Symptom
|
Suspect Area
|
Remedy
|
Charging warning indicator does not
light with ignition switch "ON" and
engine off.
|
Fuse blown
|
Check fuses
|
Light burned out
|
Replace light
|
Wiring connection loose
|
Tighten loose connection
|
Electronic voltage regulator
|
If light turns off, replace voltage regulator.
|
Charging warning indicator does not
go out with engine running. (Battery
requires frequent recharging)
|
Drive belt loose or worn
|
Adjust belt tension or replace belt
|
Battery cable loose, corroded or worn
|
Inspect cable connection, repair or replace cable
|
Electronic voltage regulator or alternator
|
If light turns off, replace voltage regulator or alternator
|
Wiring
|
Repair or replace wiring
|
Overcharge
|
Electronic voltage regulator
|
If light turns off, replace voltage regulator.
|
Voltage sensing wire
|
Repair or replace wiring
|
Discharge
|
Drive belt loose or worn
|
Adjust belt tension or replace belt
|
Wiring connection loose or short circuit
|
Inspect wiring connection, repair or replace wiring
|
Electronic voltage regulator or alternator
|
If light turns off, replace voltage regulator or alternator
|
Poor grounding
|
Inspect ground or repair
|
Worn battery
|
Replace battery
|
Specifications
Specification
Ignition System
Ignition Coil
Item
Specification
Rated Voltage (V)
12
Operation Voltage (V)
5 - 16
Item
Specification
Engine Speed (RPM)
1000
2000
3000
4000
5000
6000
Dwell Time (ms)
3.
Specifications
Specification
▷ 13.5V, 90A
Item
Specification
Rated voltage
13.
Other information:
Components and components location
Component Location
Components
1. Heater pipe cover
2. Heater core
3. Mode control actuator
4. Mode control actuator bracket
5. Mode control main lever
6.
Description and operation
Description
The PTC (Positive Temperature Coefficient) heater is installed at the exit or
the backside of heater core.
The PTC heater is an electric heater using a PTC element as an auxiliary heating
device that supplements deficiency of interior heat source in highly effective diesel
engine.