Kia Rio: Body Electrical System / Body Control Module (BCM)

Specifications

Specifications
[BCM Type]

Items
Specifications
Rated voltage
DC 12 V
Operating voltage
DC 9 - 16 V
Operating temperature
-31 - 167°F (-35 - 75°C)
Dark current
SMK : 3mA / Keyless : 3.5mA

[Non-BCM Type (Seat Belt Remind & Lighting Unit)]

Items
Specifications
Rated voltage
DC 12 V
Operating voltage
DC 9 - 16 V
Operating temperature
-22 -167°F (-30 - 75°C)
Dark current
2.5mA

Components and components location

Components
[BCM Type]

[LHD]

[RHD]

Connector Pin Information

No.
Connector A
Connector  B
Connector  C
Connector  D
Connector  E
1
Battery (+)
Front wiper low back up switch
Static bending (Left)
-
DRL Dedicated
2
RPAS Power
Rear washer switch
-
Key inter lock switch
Tail lamp relay
3
IGN1
Rear wiper switch
B-CAN (High)
RPAS Buzzer
Power window relay
4
Key in switch
Front wiper switch
B-CAN (Low)
-
Front fog lamp relay
5
-
Front wiper INT volume switch
Auto light power
Door lock indicator
Rear fog lamp relay
6
Power window lock switch
Multifunction light switch
Interior lamp auto cut_Ground
Security indicator
Right DRL Dedicated
7
Sunroof open switch
PAS
(LIN)
Room lamp
Key solenoid
Left DRL Dedicated
8
Rear right door unlock switch
-
Rear right turn signal
Headlamp low relay
DRL Dedicated_Power1
9
Front right door unlock switch
-
Rear left turn signal
Rear wiper relay
DRL Dedicated_Power2
10
Front left key unlock switch
-
Front left turn signal
Navi wake up
-
11
Wiper washer switch
Static bending (Power)
Trunk / Tailgate release switch
Wiper parking state
Dead unlock relay
12
PAS Power
Crash signal
Front right door open switch
-
Door unlock relay
13
-
-
Rear right door open switch
AV Tail
Door lock relay
14
ACC
Headlamp high switch
Front left door open switch
Start inhibit relay
-
15
IGN2
Fog lamp switch
Rear left door open switch
-
Trunk unlock relay
Tailgate unlock relay
16
-
Turn signal switch
Auto light sensor
-
-
17
Hazard switch
Headlamp low back up switch
Auto light ground
-
Front wiper high relay
18
-
Rain sensor
(LIN)
-
Headlamp high relay
Front wiper low relay
19
Rear left door unlock switch
Trunk / Tailgate open switch
Turn signal power
Alarm horn relay
Safety power window enable
20
Front left door unlock switch
COM (Diagnosis)
Front right turn signal
-
-
21
Frotn left key lock switch
Ground
(Multifunction switch)



22
Ground_Power
Static bending (Right)

[Non-BCM Type (Seat Belt Remind & Lighting Unit)]

Connector Pin Information

No.
Connector A
Connector B
Connector C
1
Battery (+)
Turn signal power
B-CAN (High)
2
IGN2
Front left turn signal
B-CAN (Low)
3
Driver door unlock switch
Tail lamp switch
Rear center seat belt indicator
4
Rear left door unlock switch
Front fog lamp switch
Rear left seat belt indicator
5
Driver door open switch
Hazard switch
Tailgate (Trunk) unlock relay
6
Rear left door unlock switch
Left turn signal switch
Front fog lamp relay
7
Driver key lock switch
Auto light switch
DRL Dedicated
8
Power window lock switch
Rear right SBR switch
Headlamp low relay
9
Door lock relay
Right turn signal switch
-
10
Door lock indicator
Rear fog lamp switch
-
11
Front right turn signal
Auto light ground
AV Tail
12
IGN1
Rear left turn signal
Auto light power
13
ACC
Rear right turn signal
Auto light sensor
14
Assist door unlock switch
Key IN switch
Rear right seat belt indicator
15
Rear right door unlock switch
Tailgate (Trunk) release switch
Rear fog lamp relay
16
Assist door open switch
Tailgate (Trunk) open switch
-
17
Rear right door open switch
Headlamp high switch
Headlamp high relay
18
Driver key unlock switch
Rear left SBR switch
Tail lamp relay
19
-
Rear center SBR switch
-
20
Door unlock relay
Passing switch
-
21
-
Headlamp low switch

22
Ground
Ground

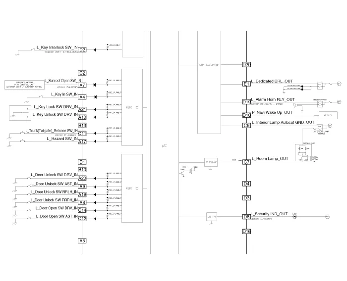
Schematic diagrams

Circuit Diagram
[BCM Type]

[Non-BCM Type (Seat Belt Remind & Lighting Unit)]

Description and operation

Description

Body Control Module (BCM) function

No
Item
Description
1
Washer Linked Wiper

If the washer switch is pressed ON for 0.06-0.2 second with the vehicle mode in IGN2, the wiper relay is turned ON 0.3±0.1 second after washer switch ON, and then the wiper relay is turned OFF 0.7±0.1 second later.

If the washer switch is pressed ON for over 0.2 second with the vehicle mode in IGN2, the wiper relay is turned ON 0.3±0.1 second after washer switch ON, and then the wiper relay is turned OFF 2.5-3.8 seconds (wiper activates 2-3 times) after washer switch OFF.

2
MIST Linked Wiper

If the wiper mist switch is pressed ON for 0.7 second with the vehicle mode in IGN2, the wiper relay is turned ON, and then OFF 0.7 second later.

If the wiper mist switch is pressed ON for over 0.7 second with the vehicle mode in IGN2, the wiper relay is turned ON, and then turned OFF 0.7 second after wiper mist switch OFF.

3
Variable INT Wiper

If the INT wiper switch is turned ON with the vehicle mode in IGN2, INT wiper operates intermittently (10 -2.2 sec.) based on the INT volume setting.

4
Wiper linked with rear washer

If you turn on the rear washer switch while the IGN2 switch is turned on, the wiper power is turned on 0.3 seconds later. If the switch input lasts between 0.2 and 0.6 seconds, the wiper power is turned off 0.7 seconds later.

5
Rear wiper

If you turn on the rear wiper switch while the IGN2 switch is turned on, the rear wiper relay operates continuously.

6
Rear Defogger Deicer Timer

If the defogger switch is turned ON with the vehicle mode in alternator ON, defogger relay is turned ON for 20 minutes.

If the defogger switch is pressed one more time or if alternator mode is turned OFF while the defogger is ON, then the defogger relay is turned OFF.

7
KEY Inter Lock

If the KEY INTER LOCK switch is turned OFF with the vehicle mode in IGN1 ON or ACC ON, the key solenoidenoid output is turned ON and prevents the key from being removed.

8
ATM Shift Lock

If brake switch is turned ON with the vehicle mode in IGN1 ON and the shift lever in P position, ATM solenoid is turned ON to unlock the shift lever.

9
Tailgate Release

Tailgate release relay is turned ON for 0.2±0.02 second if TX tailgate signal is received.

If tailgate release switch is turned ON with all doors unlocked, tailgate releaserelay is turned ON for 0.2±0.02 second.

(However, Tailgate release switch is ignored when in ARMWAIT, ARM, REARM, or ALARM mode.)

If Interior tailgete release switch is turned ON, tailgate release relay is turned ON for 0.2±0.02 second.

(However, Tailgate release relay is NOT turned ON of the vehicle speed is over 5km/h(3.1mi/h), or if the vehicle is in ARMWAIT, ARM, REARM, or ALARM mode.)

10
Power Window Timer

Power wIndicatorow relay is turned ON when the vehicle mode is switched to IGN ON.

When the vehicle mode is switched IGN ON → OFF, power window relay is turned ON for 30 seconds.

If a door is opened during the 30 second power window relay ON period, the power window relay is immediately turned OFF.

If a door is opened and the vehicle mode is switched IGN ON → OFF, power window relay is immediately turned OFF.

11
Seat Belt Reminder (Driver Side)

If Seat belt is not fastened, Indicator is turned ON at the first IGN ON, then turned OFF when the seat belt is fastened.

If the vehicle speed is over 20Km/h with Seat belt unfastened, Indicator blinks and chime buzzer is activated for 100 seconds.

While the vehicle speed is over 20Km/h with the seat belt fastened, then the seat belt is unfastened, Indicator blinks and chime buzzer is activated for 100 seconds. (Remider)

If the Seat belt is fastened or the vehicle mode is switched to IGN OFF while 100 sec. buzzer is activating, the Indicator blinking and the buzzer is turned OFF.

If the vehicle mode is switched to IGN ON with Seat belt unfastened, and vehicle speed exceeds 20Km/h with Indicator ON, Indicator blinks and chime buzzer is activated for 100 seconds.

12
Seat Belt Reminder (Passenger Side)

If there is no one in the passenger seat, then the system operates as if seat belt is fastened.

If Seat belt is not fastened, Indicator is turned ON at the first IGN ON, then turned OFF when the seat belt is fastened.

If the vehicle speed is over 20Km/h with seat belt unfastened, Indicator blinks and chime buzzer is activated for 100 seconds.

While the vehicle speed is over 20Km/h with the Seat belt fastened, then the seat belt is unfastened, Indicator blinks and chime buzzer is activated for 100 seconds. (Remider)

If the seat belt is fastened or the vehicle mode is switched to IGN OFF while 100 sec. buzzer is activating, the Indicator blinking and the buzzer is turned OFF.

If the vehicle mode is switched to IGN ON with Seat belt unfastened, and vehicle speed exceeds 20Km/h with Indicator ON, Indicator blinks and chime buzzer is activated for 100 seconds.

13
Seat Belt Reminder (Rear)

If Seat belt is not fastened, Indicator is turned ON for 35 seconds at the first IGN ON, then turned OFF when the seat belt is fastened.

If the vehicle speed is over 20Km/h with seat belt unfastened, Indicator blinks and chime buzzer is activated for 35 seconds.

If the vehicle speed is over 20Km/h with the seat belt fastened, then the seat belt is unfastened, Indicator blinks and chime buzzer is activated for 35 seconds. (Remider)

If the seat belt is fastened or the vehicle mode is switched to IGN OFF while 35 sec. buzzer is activating, the Indicator blinking and the buzzer is turned OFF.

If the vehicle mode is switched to IGN ON with seat belt unfastened, and vehicle speed exceeds 20Km/h with Indicator ON, Indicator blinks and chime buzzer is activated for 35 seconds.

14
KEY Operated Warning

If the driver door is opened with the KEY IN, buzzer is continuously activated at 1 second interval.

The buzzer is turned OFF if KEY OUT or the door is closed while the chime buzzer is activated.

15
Parking Brake Warning

If the vehicle speed exceeds 5Km/h(3.1mi/h) while the vehicle mode is in IGN1 and the parking brake is engaged, buzzer is sounded until the parking brake is released.

(Buzzer activates at 0.6 second ON and 0.4 second OFF at 1 second interval until the parking brake is released.)

16
Decayed Room Lamp

If a door is opened with the vehicle mode in IGN OFF, the room lamp is turned ON. If the door is closed, the room lamp is remained ON for 30 seconds then turned OFF. (dimmer 2±0.2 sec.)

If the door is remained opened, the room lamp is remained ON for 20 minutes, then turned OFF. (dimmer 2±0.2 sec.)

17
KEY Hole Illumination

Key illumination Lamp is turned ON if a door is opened while the vehicle mode in IGN1 switch OFF, and the Key illumination Lamp is turned OFF 30 seconds after the door is closed.

If the vehicle mode is switched to IGN1 ON while Key illumination lamp is ON, then the lamp is immediately turned OFF.

If the vehicle mode is switched to ARMWAIT while Key illumination lamp is ON, then the lamp is immediately turned OFF.

18
Tail Lamp Auto Cut

If Tail switch is switched OFF→ ON, the tail relay is turned ON.

If Tail switch is turned OFF, then the tail relay is turned OFF.

If KEY IN switch OFF & Tail switch ON & Driver Door OPEN while in KEY IN switch ON & Tail switch ON, the tail relay is turned OFF. (Auto OFF)

If KEY IN switch is turned ON after Auto OFF, then the tail relay is turned ON. Tail relay does not turn back ON even if the driver side door is opened → closed.

19
Head Lamp Escort

If the vehicle mode is switched from IGN1 to IGN1 OFF, and the haed lamp is turned ON by haed lamp switch or autolight, then the haed lamp is remained ON.

Haed lamp is turned OFF in case of any of the following conditions.

① 15 seconds after driver side door is opened → closed.

② Haed lamp or Autolight is not turned ON.

③ If driver side door is remained opened for over 5 minutes.

④ 20 minutes after the vehicle mode switching from IGN1 ON to IGN OFF.

⑤ If TX lock signal is received 2 times while H/Lamp is ON.

20
Head Lamp LOW / HIGH

If Haed lamp low is turned ON with head lamp low switch ON or autolight function, and head lamp high switch is ON (Self return), then the head lamp high is turned ON.

Head lamp high can only be turned OFF with the passing switch.

21
Head Lamp PASSING

Head lamp high activates only when the passing switch is turned ON and the vehicle mode is in IGN2 ON.

The switch is used to turn OFF when the head lamp high is ON.

22
Front Fog Lamp

If the front fog is turned ON while tail lamp is ON, then the front fog lamp is turned ON.

If the front fog is turned OFF while the front fog lamp is ON, then the lamp is turned OFF.

If the head lamp low is turned ON while front fog is ON, then the front fog lamp is turned ON.

If the front fog is turned OFF while the front fog lamp is ON, then the lamp is turned OFF.

23
Rear Fog Lamp

Rear Fog Lamp is turned on if the Rear Fog Lamp Switch is pressed when the vehicle is in IGN1 ON Mode and the Front Fog Lamp Switch is turned ON.

The Rear Fog Lamp is turned OFF if the Rear Fog Lamp Switch is pressed while the lamp is ON.

The Rear Fog Lamp is turned OFF if the IGN1 or the Tail Lamp Relay is turned OFF while the lamp is ON.

Rear Fog Lamp is turned OFF if both of the Head Lamp Low Relay and the Front Fog Lamp Switch are turned OFF while the lamp is ON.

24
Auto Light Control

If Auto light sensor is detects light ON condition, then the light is turned ON 2.5 seconds later.

If the sensor detects light OFF condition, then the light is turned OFF 2.5 seconds later.

If the sensor detects tail light ON condition, then only the tail lamp is turned ON. If the sensor detects head lamp ON condition, then both the tail lamp and the head lamp are turned ON.

In case of head lamp ON condition, both the tail lamp and head lamp are turned ON regardless of tail switch ON/OFF status.

25
Tail Welcome

If the vehicle mode is switched to KEY OFF, all doors are closed and locked while the tail lamp is turned ON (Head lamp switch or AUTO switch + night time), then RKE unlock is activated, the tail lamp is turned ON for 15 seconds.

26
Static Bending Lamp (SBL)

The left/right Static Bending Lamp (SBL) is turned ON corresponding to the steering wheel angle while the head lamp is ON.

If the shift lever is in R position, then the lamp opposite of the wheel angle is turned ON.

In case of domestic models, the lamp is not turned ON if the vehicle speed is below 3Km/h or when the shift lever is in R position.

27
Daytime Running Light (DRL)

DRL Lamp is turned ON when the engine is started.

DRL Lamp is turned OFF if head lamp low or front fog lamp is turned ON.

28
Turn Signal LAMP(HAZARD)

Inputting the left turn signal lamp switch signal turns on the left turn lamp when the vehicle mode is in IGN2 ON.

Hazard lamp is turned ON when the hazard switch ON.

29
RPAS

If the shift lever is switched to R position while the vehicle mode is in IGN1 ON, then buzzer is activated 0.5 second later.

Warning level is displayed in the cluster and buzzer is activated corresponding to the warning condition.

30
Normal/ARMWAIT/Relock Mode

If TX lock signal is received with KEY IN switch removed from the cylIndicatorer and all doors are closed, then all doors lock signal is outputted, and when all door lock switch is locked, then hazard lamp is turned ON 1 time, and the vehicle enters ARM mode after expiration of ARMWAIT time (30 sec.).

If TX lock signal is received while any one of the doors, hood, or trunk is opened, then only the lock signal is outputted. Hazard lamp is not turned ON and the vehicle does not enter the ARM mode.

If any of the doors is not opened or KEY IN is not detected within 30 seconds after receiving TX unlock signal, then the vehicle returns to ARM mode.

31
Alarm Condition

If Alarm activation condition is detected, then start inhibit is turned ON to prevent engine start and the alarm is activated.

32
DISARM/Alarm Deactivation Condition

If TX UNLOCK/LOCK switch signal is received, unlock/lock signal is outputted for 0.5 second, and START INHIBIT is turned OFF.

If KEY IN switch ON & IGN1 switch ON & IGN2 switch ON & alternator ON is maintained for 30 seconds, then start inhibit is turned OFF and the vehicle mode is switched to DISARM.

33
RESET

If the battery is disconnected while the alarm is activating, and then reconnected, then the alarm also reactivates.

If the battery is disconnected while the vehicle is in ARM mode, and then reconnected, the vehicle maintains ARM mode.

34
Central Door Lock/Unlock

If Driver/Passenger side door KEY lock/unlock switch is turned ON within 3 seconds, then all door lock/unlock signal is outputted for 0.5 second.

If TX lock/unlock signal is received, then all door lock/unlock signal is outputted for 0.5 second.

If Driver door lock switch (Power window) is Lock/Unlock, then all door lock/unlock signal is outputted for 0.5 second.

35
Auto Door Lock
(SAB option only)

If the vehicle mode is in IGN1 ON & alternator ON, and the vehicle speed is over15km/h(9.3mi/h), all doors are locked within 1.5 seconds.

(However, if all doors are already locked or in case all door fail condition, then all door lock function is not executed.)

If any one of the doors is unlocked after locking via above condition, then lock command is executed 3 times. (at 1 sec. interval). Unlocked door that is locked during the 3 attempts is ignored.

Auto door lock function is not engaged in case of crash unlock condition.

36
Auto Door Unlock

If KEY OFF after KEY IN, then all door unlock is executed.

(However, if all doors are already unlocked, then the unlock command is not executed.)

37
IGN KEY Reminder
This function does not activate if the vehicle speed is over 3Km/h(1.86mi/h).

If IGN KEY ON, Driver door switch open & Driver door unlock state becomes locked, all door unlock is executed for 1 second after 0.5 second delay.

IGN KEY ON, Assist door switch open & Assist door unlock state becomes locked, all door unlock is executed for 1 second after 0.5 second delay.

If Driver door switch is closed within 0.5 second from driver door unlock state switchitching UNLOCK → LOCK when the vehicle is in IGN KEY ON mode, all door unlock is executed only 1 time for 1 second.

If unlock condition is satisfied, then unlock is executed even if the condition is not maintained for 0.5 second.

38
Passive KEY Reminder

This function does not activate if the vehicle speed is over 3Km/h(1.86mi/h).

If KEY Reminder signal is received from SMK, then all door unlock command is outputted for 1 second.

If the door remains locked even if unlock command is outputted for 1 second as stated above, then unlock is attempted for up to 3 times (excluding the 1st output) (1 sec. interval: 0.5 sec. ON/OFF)

39
Crash Door Unlock

Unlock is executed every time ACU signal is inputted when IGN switch is turned ON. Unlock output continues for the set duration even if the vehicle mode is switched from IGN KEY ON to OFF.

If the Driver/Assist/Rear door lock switch is switched from unlock to lock after executing unlock, then unlock command is executed again for 5 seconds.

Auto Door Lock function is not engaged in case of crash unlock condition.

40
FOLD / UNFOLD

Fold/Unfold is engaged when Fold/Unfold switch is activated.

If Auto switch is activated, then Fold/Unfold is engaged automatically in case of any of below conditions.

1)

If RKE Lock/Unlock.

2)

If Passive Lock/Unlock.

3)

If Smart Key approach/away signal is detected.

41
AV Tail Lamp

If the Auto Light Sensor value is below Tail Lamp ON (0.4V) condition while in ACC ON Mode, the AV Tail Lamp Output is turned ON after 1 second.

If the Auto Light Sensor value is above Tail Lamp OFF (0.85V) condition while the AV Tail Lamp is ON, the AV Tail Lamp Output is turned OFF after 1 second.


Communication Network Diagram

Abbreviation
Explanation
ACU
Airbag Control Unit
AVN
Head Unit (Audio / AVN)
B_CAN
Body Controller Area Network
BCM
Body Control Module
BSD
Blind Spot Detection
C_CAN
Chassis Controller Area Network
CLU
Cluster Module
ESC
Electronic Stability Program
EMS
Engine Management System
FPCM
Fuel Pump Control Module
LDWS
Lane Departure Warning System
M_CAN
Multimedia Controller Area Network
MDPS
Motor Driven Power Steering
MFS
Multi-Function Switch
P_CAN
Powertrain Controller Area Network
PGS
Parking Guide System
SAS
Steering Angle Sensor
SMK
Smart Key Unit
TCU
Transmission Control Unit
TPMS
Tire Pressure Monitoring System
VDC
Vehicle Dynamic Control
ABS
Anti-lock Brake System

Repair procedures

Removal
[BCM Type]
1.

Disconnect the negative (-) battery terminal.

2.

Remove the crash pad lower panel.

(Refer to Body - "Crash Pad Lower Panel")

3.

Remove the driver's side shower duct (A) after loosening the screw.

4.

Disconnect the body control module connectors (A).

5.

Remove the body control module (A) after loosening the mounting nuts.

6.

Remove the body control module (B) after disconnecting the connectors (A).

[Non-BCM Type (Seat Belt Remind & Lighting Unit)]
1.

Disconnect the negative (-) battery terminal.

2.

Remove the crash pad lower panel.

(Refer to Body - "Crash Pad Lower Panel")

3.

Remove the driver's side shower duct (A) after loosening the screw.

4.

Disconnect the seat belt remind & lighting unit connectors.

5.

Remove the seat belt remind & lighting unit (A) after loosening the mounting nuts.

Installation
[BCM Type]
1.

Connect the body control module connectors.

2.

Install the body control module (BCM).

3.

Install the driver's side shower duct.

4.

Install the crash pad lower panel.

5.

Connect the negative (-) battery terminal.

[Non-BCM Type (Seat Belt Remind & Lighting Unit)]
1.

Connect the seat belt remind & lighting unit connectors.

2.

Install the seat belt remind & lighting unit.

3.

Install the driver's side shower duct.

4.

Install the crash pad lower panel.

5.

Connect the negative (-) battery terminal.

BCM Diagnosis With KDS/GDS

[BCM Type Only]

1.

In the body electrical system, failure can be quickly diagnosed by using the vehicle diagnostic system (KDS/GDS).

The diagnostic system (KDS/GDS) provides the following information.

(1)

Self diagnosis : Checking failure and code number (DTC)

(2)

Current data : Checking the system input/output data state

(3)

Actuation test : Checking the system operation condition

(4)

Additional function : Controlling other features including system option setting and zero point adjustment

2.

Select the "Car model" and the 'Body Control Module (BCM)' to be checked in order to check the vehicle with the tester.

3.

Select the 'Current Data' menu to search the current state of the input/output data.

4.

If you want to change user option, select "user option".

    Components and components location Component Location 1. Back view camera 2. AVN head unit 3. Steering angle sensor Description and operation Description 1.

    Components and components location Component Location 1. Body control module (BCM) 2. Smart key unit (SMK) 3. Interior antenna 1 4.

    Other information:

    Kia Rio 2017-2023 YB Service Manual: Compressor

    Description and operation Description The compressor is the power unit of the A/C system. It is located on the side of engine block and driven by a V-belt of engine. The compressor changes the low pressure and low temperature refrigerant gas into the high pressure and high temperature refrigerant gas.

    Kia Rio 2017-2023 YB Service Manual: Evaporator Temperature Sensor

    Description and operation Description The evaporator temperature sensor will detect the evaporator core temperature and interrupt compressor relay power in order to prevent evaporator freezing by excessive cooling. Repair procedures Inspection 1.

    Categories

     
    Copyright © 2026 www.krioyb.com - 0.0323