Kia Rio: Indicators And Gauges / Instrument Cluster

Components and components location

Components
[Standard Type ("3.5")]

[Supervision Type ("3.5")]

Connector Pin Information

Connector A


No.
Description
No.
Description
1
Ground
21
Trip switch (-)
2
Illumination (-)
22
Trip switch 1 (+)
3
Rheostat switch (Down)_Input
23
Trip switch 2 (+)
4
Rheostat switch (Up)_Input
24
Active ECO switch_Input
5
Dentent
25
Drive mode switch_Input
6
AT ('P' Position)
26
MT ('R' Position)
7
AT ('R' Position)
27
-
8
AT ('N' Position)
28
Washer level low_Input
9
AT ('D' Position)
29
Body-CAN (Low)
10
AT ('S' Position)
30
Body-CAN (High)
11
Immobilizer_Input
31
Alternator_Output
12
Vehicle speed_Output
32
Chassis-CAN (High)
13
Alternator_Input
33
Chassis-CAN (Low)
14
Fuel sender (+)_Input
34
Outside temp_Input
15
Vehicle speed_Input
35
FFV 5V (+)_Output
LPI Fuel_Input
16
Fuel sender (-)_Input
36
Heated wheel indicator_Input
17
Water seperator (+)_Input
37
Ground
18
Air bag (+)_Input
38
LDC Battery (+)_Input
19
Oil press switch_Input
39
IGN1
20
Tail lamp_Input
40
Battery (+)

Connector B


No.
Description
No.
Description
1
Turn signal lamp (Right)_Input
17
Parking brake switch (-)_Input
2
Turn signal lamp (Left)_Input
18
Front delcer switch (-)_Input /
Heated glass switch (-)_Input
3
Headlamp (High) (+)_Input
19
Driver seat belt switch (-)_Input
4
Headlamp (Low) (+)_Input
20
Assist seat belt switch (-)_Input
5
Front fog lamp (+)_Input
21
Assist seat mat switch (-)_Input
6
Rear fog lamp (+)_Input
22
Sunroof open switch (-)_Input
7
Rear fog switch (-)_Input
23
Ground
8
Door open switch (-)_Input
24
Heated washer nozzle (-)_Output
9
Driver side door open switch (-)_Input
25
Rear defogger relay (-)_Output
10
Trunk open switch (-)_Input
26
Front delcer relay (-)_Output /
Heated glass relay (-)_Output
11
Hood open switch (-)_Input
27
Assist seat belt indicator (-)_Output
12
Key in switch (-)_Input
28
Tail lamp relay (-)_Output
13
Tail lamp switch (-)_Input
29
Rear SBR Indicator SYNC(-)_Output
14
Rear defogger switch (-)_Input
30
-
15
Rear SBR buzzer (-)_Input
31
-
16
Brake oil switch (-)_Input
32
-

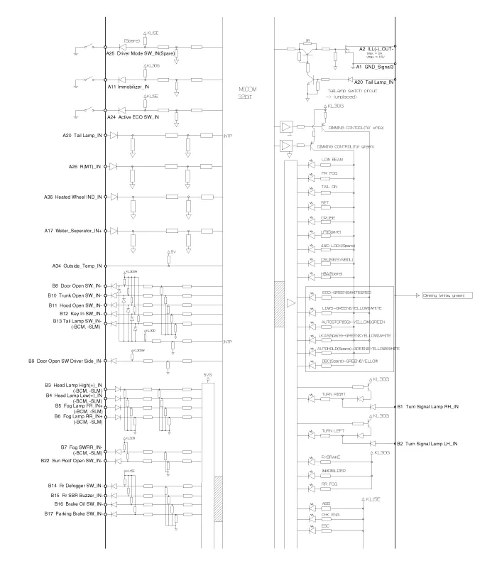
Schematic diagrams

Circuit Diagram
[General Standard]

[General Supervision]

Description and operation

Description

Communication Network Diagram

Abbreviation
Explanation
ACU
Airbag Control Unit
AVN
Head Unit (Audio / AVN)
B_CAN
Body Controller Area Network
BCM
Body Control Module
BSD
Blind Spot Detection
C_CAN
Chassis Controller Area Network
CLU
Cluster Module
ESC
Electronic Stability Program
EMS
Engine Management System
FPCM
Fuel Pump Control Module
LDWS
Lane Departure Warning System
M_CAN
Multimedia Controller Area Network
MDPS
Motor Driven Power Steering
MFS
Multi-Function Switch
P_CAN
Powertrain Controller Area Network
PGS
Parking Guide System
SAS
Steering Angle Sensor
SMK
Smart Key Unit
TCU
Transmission Control Unit
TPMS
Tire Pressure Monitoring System
VDC
Vehicle Dynamic Control
ABS
Anti-lock Brake System

Cluster Variant Coding

As we have more options (ESC, MDPS etc.) in the car, the dashboard now has more information to display depending on the chosen options.

For this reason, we need to learn which options the vehicle has when replacing the dashboard.

To address this issue, a course of learning based on the option required for the vehicle when replacing the dashboard should be carried out.

This is called Variant Coding.

Repair procedures

Removal
  

Put on gloves to protect your hands.

When removing with a flat-tip screwdriver or remover, wrap protective tape around the tools to prevent damage to components.

1.

Disconnect the negative (-) battery terminal.

2.

Remove the cluster fascia panel.

(Refer to Body - "Cluster Fascia Panel")

3.

Separate the instrument cluster (A) after loosening the mounting screws.

4.

Remover the instrument cluster after disconnecting the cluster connectors (A).

Installation
1.

Install the cluster after connect the cluster connectors.

2.

Install the cluster fascia panel.

3.

Connect the negative (-) battery terminal.

  

Perform variant coding after exchanging the instrument cluster.

Inspection
1.

Check point (Warning indicator)

  

Fault conditions and normal operating conditions, refer to the owner's manual.

NO
Ref Symbol
Name
Color
Signal Input
Signal Control
Check Point
1

Turnsignal (Left)
Green
CAN
BCM
(Gateway)
1)

Multifunction Switch

2)

BCM

3)

CAN Failure

2

Turnsignal (Right)
Green
CAN
BCM
(Gateway)
1)

Multifunction Switch

2)

BCM

3)

CAN Failure

3

Tail Lamp
Green
CAN
BCM
(Gateway)
1)

Multifunction Switch

2)

BCM

3)

CAN Failure

4

Front
Fog Lamp
Green
CAN
BCM
(Gateway)
1)

Multifunction Switch

2)

BCM

3)

CAN Failure

5

Rear Fog Lamp
Yellow
CAN
BCM
(Gateway)
1)

Multifunction Switch

2)

BCM

3)

CAN Failure

6

Low Beam
Green
CAN
BCM
(Gateway)
1)

Multifunction Switch

2)

BCM

3)

CAN Failure

7

High Beam
Blue
CAN
BCM
(Gateway)
1)

Multifunction Switch

2)

BCM

3)

CAN Failure

8

Master Symbol
Yellow
CAN
BSD
1)

BSD System

2)

CAN Failure

TPMS
1)

TPMS System

2)

CAN Failure

BCM
1)

External lamps

2)

BCM

3)

CAN Failure

Hard-wired
Fuel Sender
1)

Fuel Sendar Failure

2)

Wiring Failure

Low Washer
1)

Whasher fluid lever sensor

2)

Wiring Failure

Digital Input
Reminders when service checks
9

Battery Charge
Red
CAN
ECM
1)

Charging System

2)

CAN Failure

10

Oil Pressure
Red
Hard-wired
ECM
1)

ECM System

2)

Hard-wired

3)

CAN Failure

11

Check Engine
Yellow
CAN
ECM
1)

ECM System

2)

CAN Failure

12

Immobilizer
Yellow
CAN
BCM
(Gateway)
1)

SMK System

2)

BCM

3)

CAN Failure

4)

Hard-wired

13

Parking Brake
Brake Fluid
EBD
EPB
Red
CAN
BCM
(Gateway)
EBD
EPB
ABS
TCS
1)

BCM

2)

ABS System

3)

EPB System

4)

CAN Failure

5)

Parking Brake Switch

6)

Brake Oil Lever Sensor

14

ABS
Yellow
CAN
ABS
1)

ABS System

2)

CAN Failure

15

ESC
Yellow
CAN
TCS
1)

ABS System

2)

CAN Failure

16

ESC Off
Yellow
CAN
TCS
1)

ABS System

2)

CAN Failure

17

Auto Hold
White
Yellow
Green
CAN
TCS
1)

TCS System

2)

CAN Failure

18

Seat Belt
Red
CAN
BCM
(Gateway)
1)

BCM

2)

CAN Failure

19

Airbag
Red
CAN
SRSCM
1)

SRSCM System

2)

CAN Failure

20

EPS
(MDPS)
Red
CAN
MDPS
1)

MDPS Unit System

2)

MDPS Motor

3)

CAN Failure

21

TPMS
Yellow
CAN
TPMS
1)

TPMS System

2)

TPMS Sensor

3)

CAN Failure

22

LDWS
Green
Yellow
White
CAN
LDWS
1)

LDWS System

2)

CAN Failure

23

Fuel Warning
Yellow
Direct
(Micom)
Fuel Segment
1)

Fuel Sendar Failure

2)

Wiring Failure

24

Door Open
Red
CAN
BCM
(Gateway)
1)

BCM

2)

CAN Failure

3)

Door Sensor/switch

25

ECO
Green
Hard-wired
ECO mode
1)

ECM System

2)

CAN Failure

26

SPORT
Yellow
Hard-wired
SPORT mode
1)

ECM System

2)

CAN Failure

27

CRUISE
Green
CAN
ECM
1)

ECM System

2)

CAN Failure

28

SET
Green
CAN
ECM
1)

ECM System

2)

CAN Failure

29

Over speed
Yellow
CAN
ECM
1)

ECM

2)

CAN Failure

30

AEB
Yellow
CAN
SCC
1)

AEB System

2)

CAN Failure

31

Cooling water
temperature
Red
CAN
EMS
1.

EMS System

2.

CAN Failure

32

Diesel Particulate Filter
(DPF)
Yellow
CAN
ECM
1)

DPF System

2)

CAN Failure

33

Oil Level
Yellow
CAN
ECM
1)

ECM

2)

CAN Failure

34

Water seperator
Red
Hard-wired
Water seperator sensor
1)

Water seperator sensor

2)

Wiring failure

35

AUTO STOP
Green
Yellow
CAN
ECM
1)

ECM

2)

CAN Failure


2.

Check point (Gauge)

NO
Name
Signal Input
Signal Control
(Unit/Sensor)
Check Point
1
Speedometer
C-CAN
ABS/ESC
1. ABS System
2. CAN Line failure
2
Tachometer
C-CAN
ECM
1. ECM
2. CAN Line failure
3
Cooling water temperature
C-CAN
ECM
1. ECM
2. CAN Line failure
4
Fuel
Hardwire
Fuel Sander
1. Fuel sender failure
2. Wiring failure

Diagnosis with KDS/GDS

1.

In the body electrical system, failure can be quickly diagnosed by using the vehicle diagnostic system (KDS/GDS).

The diagnostic system (KDS/GDS) provides the following information.

(1)

Self diagnosis : Checking failure and code number (DTC)

(2)

Current data : Checking the system input/output data state

(3)

Actuation test : Checking the system operation condition

(4)

Additional function : Controlling other features including system option setting and zero point adjustment

2.

Select the 'Car model' and the 'Cluster Module (CLU)' to be checked in order to check the vehicle with the tester

3.

Select the 'Current Data' menu to search the current state of the input/output data.

4.

To forcibly actuate the input value of the module to be checked, select option 'Actuation Test'

CLU Variant Coding

After replacing the cluster with a new one, must be performed the “Variant Coding” procedure.

1.

Connect the cable of KDS/GDS to the data link connector in driver side crash pad lower panel, turn the power on KDS/GDS.

2.

Select model and "BCM".

3.

Select Variant coding mode to perform.

4.

If the trouble codes occurred when performing variant coding, try the CLU variant coding again after checking the installation status of CLU system.

    Troubleshooting Troubleshooting Error Item Failure symptom Inspection items Detailed inspections Relevant Parts/ Components Screen display LCD screen does not turn on 1) Connector attachments 2) Components 1) Check the connector attachments 2) Check B+, IGN and GND wiring 3) Check the components Connectors, wiring, fuses, dashboard Warning light Airbag warning lamp malfunction 1) Connector attachments 2) C-CAN 3) Components 1) Check airbag + signal (connectors) 2) Check C-CAN (ACU4) signal 3) Check the FPC attachment inside the dashboard ACU Connectors, wiring, fuses, dashboard Mode conversion Integrated driving mode malfunction 1) Connector attachments 2) Switch 3) Components 1) Check the switch input (connector) 2) Check the switch signal input (disconnection or shorting) 3) Check conversion with dashboard component Switch connector, wiring dashboard Illumination Interior light brightness cannot be controlled.

    Specifications Specification Item Specification Power source 3 V Operating temperature -22 - 176°F (-30 - 80°C) RF Modulation FSK LF Modulation ASK RF frequency 433.

    Other information:

    Kia Rio 2017-2023 YB Service Manual: Rear Glass Defogger Switch

    Repair procedures Inspection 1. In the body electrical system, failure can be quickly diagnosed by using the vehicle diagnostic system (KDS/GDS). The diagnostic system (KDS/GDS) provides the following information. (1) Self diagnosis : Checking failure and code number (DTC)

    Kia Rio 2017-2023 YB Service Manual: Smart Key Diagnostic

    Repair procedures Inspection Self Diagnosis With Scan Tool It will be able to diagnose defects of SMART KEY system with KDS/GDS quickly. KDS/GDS can operates actuator forcefully, input/output value monitoring and self diagnosis. The following three features will be major problem in SMART KEY system.

    Categories

     
    Copyright © 2025 www.krioyb.com - 0.0135